数字调节仪系列
您现在的位置: 上海自动化仪表集团有限公司 > 产品导航 > 显示/调节仪 > 数字调节仪
数字调节仪
产品说明:数字调节仪主要技术指标· 具有程序控制,最大程度设定10段· 美国定制专用微机电路(ASLC)。 · 精度等级0.3%FS±1dig· 放大器零位自
质量稳定:实行全过程质量监控,细致入微,全方位检测!
真品保证:正品保障,防伪标志
交货快捷:先进生产流水线,充足的备货,缩短了交货期!
全国咨询热线:
021-36199760
产品说明
数字调节仪主要技术指标
· 具有程序控制,最大程度设定10段
· 美国定制专用微机电路(ASLC)。
· 精度等级0.3%FS±1dig
· 放大器零位自动软件校正技术,高精度低漂移。
· 自动/手动,双向无扰动切换。
· 齐全的输出和调节规律供选择。
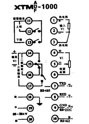
· 带串行通讯接口 RS-232C、RS-422、RS-485。
· 采用E2 PROM,数据永久保存。
· 具有PLD自整定功能。
· 仪表输入输出与微机电路相互全隔。
· 采用SMT表面贴装技术。
● 数字调节仪 输入形式
热电偶
B:400~1800℃
S:0~1600℃
K:0~1300℃
E:0~800℃
T:0~400℃
热电阻
Pt100:-200~500℃
Cu50:-50~150℃
线性
0~10mA DC
4~20mA?DC
0~5V?DC
1~5V?DC
● 数字调节仪 输出形式
控制
二 位 式:不灵敏区范围0.1%~10%,继电器触点输出。
时间比例:周期1~200秒 比例带0.1%~400.0%
继电器触点输出
二 位PLD: 周期1~200秒 比例带0.1%~400.0%
积分时间:0~3600秒 微分时间:0~3600秒
继电器触点输出。
连续PLD: 例带0.1%~400. 积分时间:0~3600秒
微分时间:0~3600秒
0~10mA(4~20mA)DC输出
三位PLD: 不灵敏区0.0~10.0%可调
继电器触点输出
继电器动作范围0.1~10.0%
继电器动作周期1~200秒
阀位反馈信号0~10mA(4~20mA)DC
0~1KΩ电阻信号
逻辑输出:24V DC 20mA
固态继电器输出:容量2A 250V
● 数字调节仪 报警
二组继电器触点输出可工作上下限报警用
一路过程报警可用作系统的保险装置,即一旦测量值
大于过程报警设定值,仪表的输出值切道输出下限值。
● 数字调节仪 过程量输出
0~10mA DC、4~20Ma DC、0~5 DC、1~5V DC.
● 数字调节仪 供电电源
开关电源:86~264V AC 50HZ±5%
功 耗:6VA
提供变送器电源: 24V DC, 50mA
□数字调节仪 型号表示
XTM□-1□□□-□
|
X
|
|
|
T
|
|
|
M
|
|
|
□
面板尺寸
|
A) 160×80横式
A(H)80×160竖式
D)96×96
F)48×96
|
|
1
|
|
|
□输出形式
|
0) 二位式:继电器触点输出
1) 时间比例:继电器触点输出
2) 二位PID:继电器触点输出
4(V)二位PID:逻辑输出24V 20mA 集电极开路输出
3) 三位PID:(反馈作阀位指示不参与调节)
5)(F)三位PID:(反馈与调节)
9)4~20 mA DC连续PID输出
9(10)0~20 mA DC连续输出
|
|
□
报警功能
|
0) 无报警
1) 一路报警
2) 二路报警
|
|
□
输入形式
|
1热电偶
B) 400~1800℃
S)0~1600℃
K)0~1300℃
E)0~800℃
T)-200~300℃
2热电阻
Pt100 -200~500℃
Cu50 0~150℃
3直流mV信号≥mA
4电阻信号(电阻差≥20Ω)
5线性输入
5(05)0~5V DC
5(15)1~5V DC
5(01)0~10 mA DC
5(42)4~20 mA DC
|
|
□
附加功能
|
A) 自整定功能
D)带24V 直流输出
P)程序控制
T2)带RS-232通迅接口
T4)带RS-422或RS-485通迅接口
|
□ 数字调节仪 面板显示功能

1 上排显示器 7功能选择指示灯
2 功能选择键 8手/自动切换指示灯
3 加数键 9第二路报警指示灯
4 减数键 10第一路报警指示灯
5手/自动切换键 11阀门反转指示灯
6下排显示器 12阀门正转指示灯
□ 数字调节仪 外形及开孔尺寸 单位:mm
·XTMA-1000
·XTMA(H)-1000

·XTND-1000
·XTMF-1000
□ 接线端子图
·XTMA/XTMA(H)

·XTMD/XTMF
三位PLD输出


